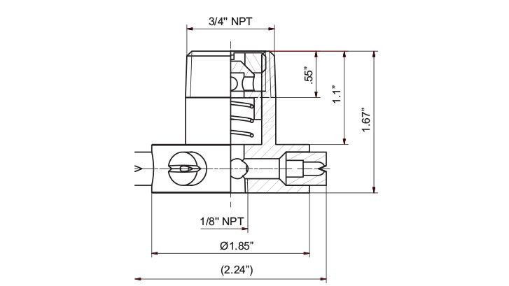
Series 597 Flushing Nozzle Assembly

The flushing nozzle assembly was designed especially for the

brewing industry for cleaning the plate screen in lauter tun tanks. A

full cone nozzle inserted at the bottom delivers excellent spray coverage and the flat fan jets provide powerful impact for cleaning.

Technical data (pdf, 68 KB)

Features

Materials
MaterialsStainless steel 316L SS
PTFE
Max. temperature
Max. temperature194 °F
Filtration
FiltrationLine strainer with a mesh size of 0.3 mm/50 mesh
Recommended operating pressure
Recommended operating pressure45 psi
Installation
InstallationVertically facing upward
Accessories
AccessoriesSpare parts set consisting of: top seal, bottom seal, bolt, nut, sleeve, instructions for use